

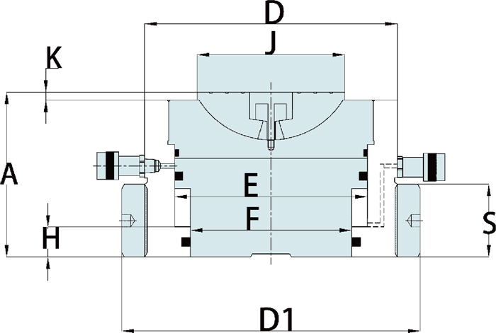
| 规格型号 | 承载 能力 (T) | 工作 行程 (mm) | 有效 面积 (cm²) | 本体 高度 A | 液压 油量 (cm³) | 延展高度 B (mm) | 千斤顶 直径(mm) | 自锁螺 母直径 D1 | 孔径 E (mm) | 柱塞规格 F (mm) | 制动环 高度 H | 鞍座 直径 J | 鞍座和制动环公差 K | 自锁螺 母厚度 S | 重量 (kg) |
| SOV-SDL-1002 | 100 | 50 | 143.14 | 188 | 716 | 238 | 180 | 225 | 135 | 120 | 35 | 115 | 10 | 90 | 46 |
| SOV-SDL-1004 | 100 | 100 | 143.14 | 238 | 1431 | 338 | 180 | 225 | 135 | 120 | 35 | 115 | 10 | 140 | 60 |
| SOV-SDL-1502 | 150 | 50 | 213.82 | 190 | 1069 | 240 | 220 | 260 | 165 | 140 | 35 | 135 | 10 | 90 | 63 |
| SOV-SDL-1504 | 150 | 100 | 213.82 | 240 | 2138 | 340 | 220 | 260 | 165 | 140 | 35 | 135 | 10 | 140 | 81 |
| SOV-SDL-2002 | 200 | 50 | 283.53 | 197 | 1418 | 247 | 250 | 295 | 190 | 160 | 35 | 155 | 12 | 90 | 83 |
| SOV-SDL-2004 | 200 | 100 | 283.53 | 247 | 2835 | 347 | 250 | 295 | 190 | 160 | 35 | 155 | 12 | 140 | 107 |
| SOV-SDL-2502 | 250 | 50 | 363.05 | 200 | 1815 | 250 | 280 | 330 | 215 | 180 | 35 | 175 | 12 | 95 | 106 |
| SOV-SDL-2504 | 250 | 100 | 363.05 | 250 | 3631 | 350 | 280 | 330 | 215 | 180 | 35 | 175 | 12 | 145 | 136 |
| SOV-SDL-3002 | 300 | 50 | 433.77 | 212 | 2169 | 262 | 305 | 360 | 235 | 200 | 40 | 195 | 12 | 100 | 135 |
| SOV-SDL-3004 | 300 | 100 | 433.77 | 262 | 4337 | 362 | 305 | 360 | 235 | 200 | 40 | 195 | 12 | 150 | 170 |
| SOV-SDL-4002 | 400 | 50 | 572.56 | 238 | 2863 | 283 | 350 | 420 | 270 | 225 | 45 | 215 | 15 | 100 | 199 |
| SOV-SDL-4004 | 400 | 100 | 572.56 | 283 | 5726 | 383 | 350 | 420 | 270 | 225 | 45 | 215 | 15 | 150 | 243 |
| SOV-SDL-5002 | 500 | 50 | 730.62 | 238 | 3653 | 288 | 390 | 460 | 305 | 250 | 45 | 240 | 15 | 112 | 245 |
| SOV-SDL-5004 | 500 | 100 | 730.62 | 288 | 7306 | 388 | 390 | 460 | 305 | 250 | 45 | 240 | 15 | 160 | 300 |
| SOV-SDL-6002 | 600 | 50 | 866 | 245 | 4328 | 295 | 420 | 500 | 332 | 270 | 45 | 260 | 15 | 115 | 296 |
| SOV-SDL-6004 | 600 | 100 | 866 | 295 | 8657 | 395 | 420 | 500 | 332 | 270 | 55 | 260 | 15 | 165 | 362 |
| SOV-SDL-8002 | 800 | 50 | 1146.16 | 280 | 5821 | 330 | 490 | 580 | 385 | 320 | 55 | 310 | 20 | 125 | 455 |
| SOV-SDL-8004 | 800 | 100 | 1146.16 | 330 | 11462 | 430 | 490 | 580 | 385 | 320 | 55 | 310 | 20 | 175 | 545 |
| SOV-SDL-10002 | 1000 | 50 | 1452.2 | 305 | 7261 | 355 | 540 | 650 | 430 | 350 | 55 | 340 | 30 | 130 | 600 |
| SOV-SDL-10004 | 1000 | 100 | 1452.2 | 355 | 14522 | 455 | 540 | 650 | 430 | 350 | 55 | 340 | 30 | 180 | 712 |
*如因产品更新迭代,表中参数有所变动,恕不另行通知。