超薄型千斤顶,超薄型液压千斤顶,液压千斤顶,PA集团液压科技(上海)有限公司
返回
返回
超薄型液压千斤顶
型号:SOV-RSM

合适的工作能力,闭合高度,行程长度,弹簧复位设计。

【 承载能力 】:5~150吨
【 本体高度 】:32~100mm
【 工作行程 】:6~18mm
【 工作压力 】:70Mpa
【 应用行业 】:广泛应用于维修,举升作业,结构件的焊接定位,装配,法兰分离等地方。
立即咨询
超薄型液压千斤顶
超薄型液压千斤顶
产品特点
用于狭窄空间设计轻巧紧凑。
单作用弹簧复位,降低劳动强度。
50ton以上油缸均配有手柄,方便搬运。
安装有防尘圈,延长油缸使用寿命。
带有安装孔,可用于特殊场合。
油缸表面经特殊处理,耐腐蚀力更强。
带沟槽热处理柱塞无需使用鞍座。
油缸均配一个NPT3/8快换接头,方便使用。
油缸技术条件,密封尺寸,使用方法均符合中国大陆标准。
应用图片
桥梁顶升维修更换橡胶支座
桥梁顶升维修更换橡胶支座
辊压机减速机同步分离
辊压机减速机同步分离
油田采油机检修
油田采油机检修
配套工装拆卸使用
配套工装拆卸使用
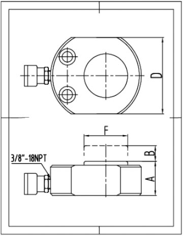
产品参数
产品型号 承载能力 有效行程 有效面积 液压油量 本体高度 伸展高度 油缸外径 柱塞直径 重量
(T) (mm) (cm2) (cm3) (mm) (mm) (mm) (mm) (kg)
SOV-RSM-0506 5 6 6.5 4 32 38 58X41 25.4 1.0
SOV-RSM-1011 10 11 14.5 18 43 54 82X55 38.1 1.4
SOV-RSM-2011 20 11 28.7 32 51 62 101X76 50.8 3.1
SOV-RSM-3013 30 13 42.1 55 58 71 117X95 63.4 4.5
SOV-RSM-4516 45 16 62.1 99 66 82 140X114 69.8 6.8
SOV-RSM-7516 75 16 102.6 164 79 95 165X139 82.6 11.3
SOV-RSM-9016 90 16 126.7 203 85 101 178X153 92.2 14.5
SOV-RSM-15016 150 16 198.1 317 100 116 215X190 114.3 26.3

*如因产品更新迭代,表中参数有所变动,恕不另行通知。

视频
为您推荐更多产品
返回顶部
Copyright © 2021 PA集团液压科技(上海)有限公司 沪ICP备58110966号-1
PA集团
网站地图