超低薄型液压千斤顶(超高压),液压千斤顶,PA集团液压科技(上海)有限公司


返回
返回
超低薄型液压千斤顶(超高压)
型号:SOV-STC

极低的本体高度,顶部有限位溢流口,超限自动溢流。

【 承载能力 】:5~200吨
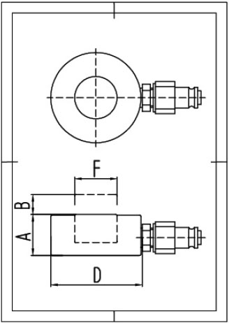
【 本体高度 】:30-35mm
【 工作行程 】:10mm
【 工作压力 】:150MPa
【 应用行业 】:应用在空间极为有限的场合。
立即咨询
超低薄型液压千斤顶(超高压)
产品特点
顶端装有弹性密封片,避免杂质进入千斤顶内部,延长使用寿命。
顶部有限位溢流口,当活塞超行程时,自动溢流,安全方便。
过载测试压力超过额定工作压力1.5倍。
同类液压千斤顶比较,相同的本体高度,有更长的顶升行程。
配套超高压快速液压接头和防尘帽。
应用图片
螺杆压缩机检修现场应用
螺杆压缩机检修现场应用
造船厂主机调整
造船厂主机调整
产品参数
产品型号 承载能力 工作压力 本体高度A 有效行程 有效面积 液压油量 油缸外径D 柱塞直径F 接头高度 接头尺寸 重量
(T) (MPa) (mm) (mm) (cm2) (cm3) (mm) (mm) (mm)   (kg)

SOV-STC-0510

5 150 30 10 3.46 3.5 60 21 14 G1/4" 0.17

SOV-STC-01010

10 150 30 10 7.06 7.1 70 30 14 G1/4" 1.1

SOV-STC-02510

25 150 30 10 17.34 17.3 90 47 14 G1/4" 1.5

SOV-STC-05010

50 150 30 10 38.46 38.5 118 70 14 G1/4" 2.6

SOV-STC-10010

100 150 33 10 69.36 69.4 152 94 14 G1/4" 4.3

SOV-STC-15010

150 150 34 10 105.62 105.6 180 116 14 G1/4" 6.8

SOV-STC-20010

200 150 35 10 136.77 136.8 204 132 14 G1/4" 9

*如因产品更新迭代,表中参数有所变动,恕不另行通知。

视频
为您推荐更多产品
返回顶部
Copyright © 2021 PA集团液压科技(上海)有限公司 沪ICP备58110966号-1
PA集团
网站地图