薄型自锁液压千斤顶,自锁千斤顶,液压千斤顶,PA集团液压科技(上海)有限公司


返回
返回
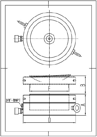
薄型自锁液压千斤顶
型号:SOV-CLP

高效的特性和机械承载的安全性。

【 承载能力 】:50~500吨
【 本体高度 】:123~190mm
【 工作行程 】:48~52mm
【 工作压力 】:70Mpa
【 应用行业 】:适用于要求活塞长时间伸展持续支撑负荷的作业,例如混凝土构件浇注和桥梁架设的支撑。
立即咨询
薄型自锁液压千斤顶
产品特点
螺母自锁,可长时间安全的负载支撑。
单作用设计,负载回位。
油缸均配有手柄吊耳,方便搬运。
安装有防尘圈,延长油缸使用寿命。
油缸表面经特殊处理,耐腐蚀力更强。
油缸可接受最大5°负重偏载。
油缸技术条件,密封尺寸,使用方法均符合中国大陆标准。
应用图片
核电设备顶升安装
核电设备顶升安装
桥梁同步顶升更换橡胶支座
桥梁同步顶升更换橡胶支座
桥梁同步顶升更换橡胶支座
桥梁同步顶升更换橡胶支座
桥梁支座更换
桥梁支座更换
产品参数
产品型号 承载能力 有效行程 有效面积 液压油量 本体高度 伸展高度 油缸外径 鞍座直径 千斤顶重量
(T) (mm) (cm2) (cm3) (mm) (mm) (mm) (mm) (kg)
SOV-CLP-6050 60 50 86.2 388 125 175 140 96 14.4
SOV-CLP-10050 100 50 146 657 137 187 175 126 24.7
SOV-CLP-16045 160 45 231 1038 148 193 220 160 41.3
SOV-CLP-20045 200 45 284.8 1285 155 200 245 180 54.3
SOV-CLP-26045 260 45 366.8 1650 160 204 275 200 69.7
SOV-CLP-40045 400 45 558.5 2514 178 223 350 250 126.5
SOV-CLP-52045 520 45 729 3281 192 237 400 290 180.9

*如因产品更新迭代,表中参数有所变动,恕不另行通知。

视频
为您推荐更多产品
返回顶部
Copyright © 2021 PA集团液压科技(上海)有限公司 沪ICP备58110966号-1
PA集团
网站地图