

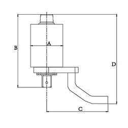
| 规格型号 | 驱动 方榫 | 输出 方榫 | 规格 (N.m) | 倍率比 | A (mm) | B (mm) | C (mm) | D (mm) | 重量 (kg) |
| SOV-LMH-1000 | 1/2" | 3/4" | 1000 | 1:4 | 71 | 121 | 110 | 165 | 1.6 |
| SOV-LMH-1500 | 3/4" | 1 " | 1500 | 1:4 | 88 | 146 | 165 | 192 | 3 |
| SOV-LMH-2000 | 3/4" | 1 " | 2000 | 1:4 | 88 | 150 | 165 | 199 | 3.2 |
| SOV-LMH-3000 | 3/4" | 1 " | 3000 | 1:5.5 | 108 | 155 | 140 | 200 | 3.8 |
| SOV-LMH-6000 | 1/2" | 1 1/2" | 6000 | 1:18 | 126 | 258 | 240 | 318 | 10.7 |
| SOV-LMH-8000 | 1/2" | 1 1/2" | 8000 | 1:23 | 160 | 276 | 255 | 340 | 17.2 |
*如因产品更新迭代,表中参数有所变动,恕不另行通知。