新闻资讯

NEWS

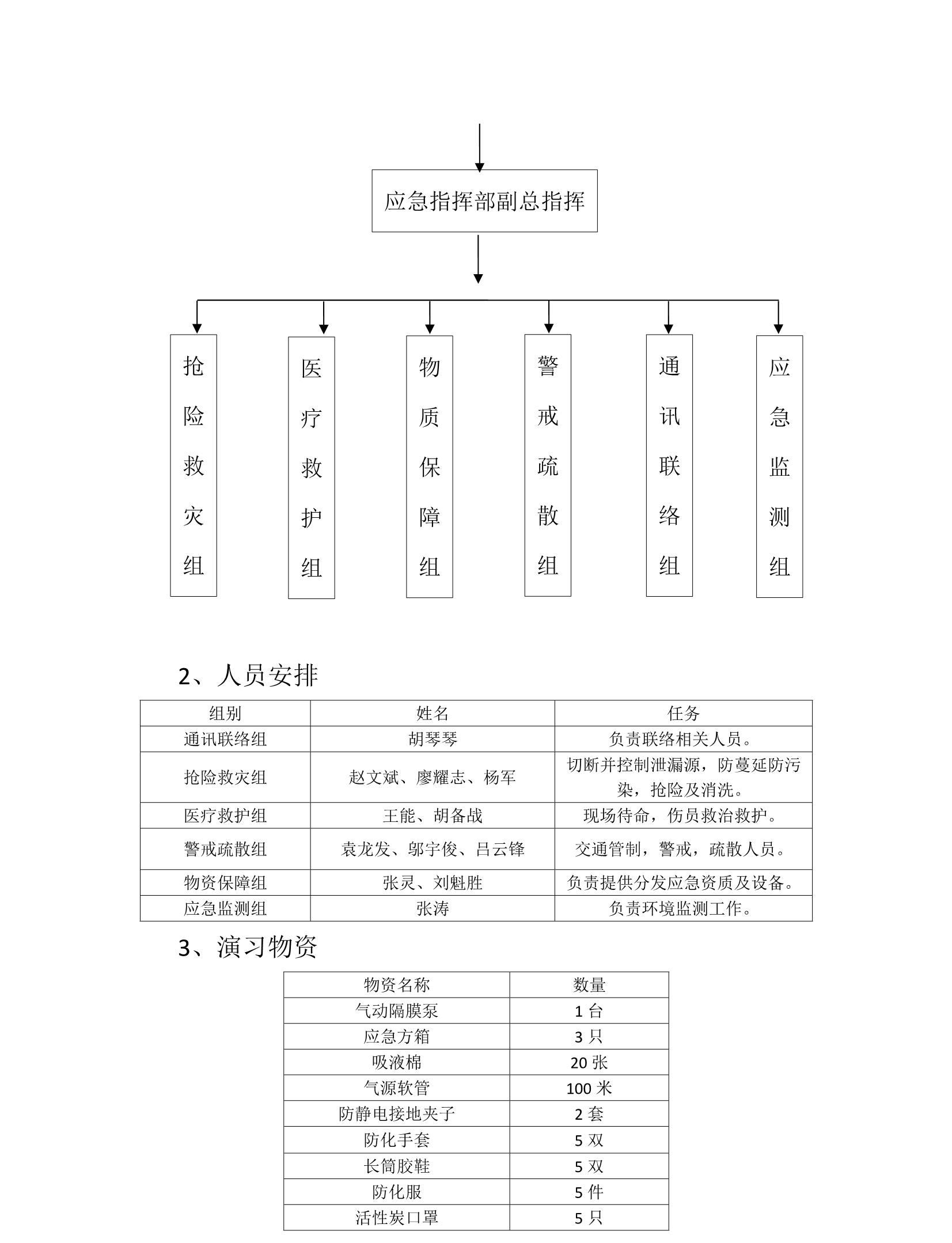
江西PA集团新材料有限公司 2024年危险废物泄漏应急演练方案

发布时间:2024-01-10 16:06
返回列表


在线留言
售后服务
全国服务热线: 0792-3170696
常见问题
返回顶部
PA集团




网站地图